
ASCENT SFPP-ATLP-85-04 transceivers support the 2-wire serial communication protocol as defined in the SFP+ MSA, 400m on MMF OM4. SFP+ transceivers provide a unique enhanced digital diagnostic monitoring interface, which allows real-time access to device operating parameters such as transceiver temperature, laser bias current, transmitted optical power, receiver optical power and transceiver supply voltage. It also defines a sophisticated system of alarm and warning flags, which alerts end-users when particular operating parameters are outside of a factory set normal range. The SFP+ MSA defines a 256-byte memory map in EEPROM that is accessible over a 2-wire serialinterface at the 8-bit address 1010000X (A0h). The digital diagnostic monitoring interface makes use of the 8-bit address 1010001X (A2h), so the originally defined serial ID memory map remains unchanged. The operating and diagnostics information is monitored and reported by a Digital Diagnostics Transceiver Controller (DDM) inside the transceiver, which is accessed through a 2-wire serial interface.
· Support multi-protocol from 8.5Gb/s to 11.3Gb/s
· Hot-Pluggable SFP+ footprint
· 850nm VCSEL Tocan laser transmitter
· Duplex LC connector
· Up to 300m links on MMF OM3, 400m on MMF OM4
· Single +3.3V Power Supply
· Power consumption<1W
· Compliant with SFF-8431 SFF-8432 and IEE802.3ae
· Operating temperature range:
Commercial: 0°C to +70°C
Industrial: -40°C to +85°C
· RoHS compliant (lead-free)
Parameter | Symbol | Min. | Typ. | Max. | Unit | Note |
Storage Temperature | TS | -40 | +85 | °C | ||
Case Operating Temperature | TA | 0 | 70 | °C | ||
Supply Voltage | VCC | -0.5 | 3.6 | V | ||
Industrial | TC | -40 | +85 | °C | ||
Commercial | TC | 0 | 70 | °C |
Parameter | Symbol | Min. | Typ. | Max. | Unit | Note |
Bit Rate | BR | 9.95 | 10.3125 | 11.3 | Gb/s | Bit Rate |
Bit Error Ratio | BER | 0 | 10-12 | Bit Error Ratio | ||
Supply Voltage | VCC | -0.5 | 3.6 | V | Supply Voltage | |
Maximum Supported Distances(OM4) | 400 | m | Maximum Supported Distances(OM4) |
Parameter | Symbol | Min. | Typ. | Max. | Unit | Note |
TX_Disable Assert Time | t_off | 10 | us | |||
TX_Disable Negate Time | t_on | 1 | ms | |||
Time to Initialize Include Reset of TX_FAULT | t_int | 300 | ms | |||
TX_FAULT from Fault to Assertion | t_fault | 100 | us | |||
TX_Disable Time to Start Reset | t_reset | 10 | us | |||
Receiver Loss of Signal Assert Time | TA,RX_LOS | 100 | us | |||
Receiver Loss of Signal Deassert Time | Td,RX_LOS | 100 | us | |||
Rate-Select Charge Time | t_ratesel | 10 | us |
Parameter | Symbol | Min. | Typ. | Max. | Unit | Note |
Supply Voltage | Vcc | 3.14 | 3.47 | V | ||
Supply Current | Icc | 300 | mA | |||
Transmitter | ||||||
Input Differential Impedance | Rin | 100 | Ω | 1 | ||
Tx Input Single Ended DC Voltage Tolerance (RefVeeT) | V | -0.3 | 4 | V | ||
Differential Input Voltage Swing | Vin,pp | 100 | 1000 | mV | 2 | |
Transmit Disable Voltage | VD | 2 | Vcc | V | 3 | |
Transmit Enable Voltage | VEN | Vee | +0.8 | V | ||
Receiver | ||||||
Single Ended Output Voltage Tolerance | V | -0.3 | 4 | V | ||
Rx Output Diff Voltage | Vo | 300 | 1000 | mV | ||
Rx Output Rise and Fall Time | Tr/Tf | 30 | ps | 4 | ||
LOS Fault | VLOS fault | 2 | VccHOST | V | 5 | |
LOS Normal | VLOS norm | Vee | +0.8 | V | 5 |
Notes:
1. Connected directly to TX data input pins. AC coupling from pins into laser driver IC.
2. Per SFF-8431 Rev 3.0
3. Into 100 ohms differential termination.
4. 20% to 80%
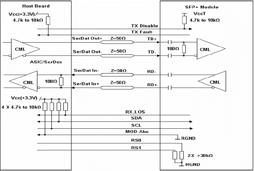
5. LOS is an open collector output. Should be pulled up with 4.7k – 10kΩ on the host board. Normal operation is logic 0; loss of signal is logic 1. Maximum pull-up voltage is 5.5V.
Optical Characteristics
Parameter | Symbol | Min. | Typ. | Max. | Unit | Note |
Transmitter | ||||||
Center Wavelength | λt | 830 | 850 | 870 | nm | |
RMS Spectral Width | △λrms | 0.45 | nm | |||
Average Optical Power | Pavg | -6 | -1 | dBm | 1 | |
Optical Power OMA | Poma | -1.5 | dBm | |||
Laser Off Power | Poff | -30 | dBm | |||
Extinction Ratio | ER | 3.5 | dB | |||
Transmitter Dispersion Penalty | TDP | 3.9 | dB | 2 | ||
Relative Intensity Noise | Rin | -128 | dB/Hz | 3 | ||
Optical Return Loss Tolerance | 20 | dB | ||||
Receiver | ||||||
Center Wavelength | λr | 830 | 870 | nm | ||
Receiver Sensitivity (OMA) @10.3Gb/s | Sen | -10.5 | dBm | 4 | ||
Stressed Sensitivity (OMA) | SenST | dBm | 4 | |||
Los Assert | LOSA | -25 | dBm | |||
Los De-Assert | LOSD | -12 | dBm | |||
Los Hysteresis | LOSH | 0.5 | dB | |||
Overload | Sat | -1 | dBm | 5 |
Notes:
1. Average power figures are informative only, per IEEE802.3ae.
2. TWDP figure requires the host board to be SFF-8431compliant. TWDP is calculated using the Matlab code provided in clause 68.6.6.2 of IEEE802.3ae.
3. 12dB reflection.
4. Conditions of stressed receiver tests per IEEE802.3ae. CSRS testing requires the host board to be SFF-8431 compliant.
5. Receiver overload specified in OMA and under the worst comprehensive stressed condition.




10 Gb/s 1310nm SFP+ 40 km Transceiver

SFPP-ATLP-31-20 SFP+ Plug-in, 10Gbps, 20km, TX=1310/RX wide, on two single mode fibers, LC/PC Blue

SFPP-ATLP-31-10 SFP+ Plug-in, 10Gbps, 10km, TX=1310/RX wide, on two single mode fibers, LC/PC Blue

SFPP-ATLP-31-02 10Gb/s 1310nm SFP+ 2 km Transceiver

SFPP-ATLP-51-40 10 Gb/s 1550 nm SFP+ 40 km Transceiver

SFPP-ATLP-51-100 10 Gb/s 1550 nm SFP+ 100 km Transceiver

SFPP-ATLP-51-80 10 Gb/s 1550 nm SFP+ 80 km Transceiver

SFPP-ATLP-85-03 10 Gb/s 850nm Multi-Mode SFP+ Transceiver

SFPP-LP-T99R-80 10 Gb/s Tunable DWDM SFP+ 80 km Transceiver

SFPP-ATLP-DXX-80 10 Gb/s DWDM SFP+ 80 km Transceiver

SFPP-ATLP-DXX-40 SFP+ Plug-in, 10Gbps, 40km, TX=ITU Ch xx (17 to 61) /RX wide, on two single mode fibers, LC/PC Blue

SFPP-ATLP-CXX-80 SFP+ Plug-in, 10 Gbps, 80 km, TX = CWDM Ch xx (1470 nm to 1610 nm)/RX wide, on two single-mode fibers, LC/PC Blue.

SFPP-AT-LP-XXXX-60D 10 Gb/s BIDI SFP+ 60 km Transceiver

SFPP-ATLP-CXX-40 SFP+ Plug-in, 10Gbps, 40km, TX=CWDM Ch xx (1270 nm to 1610 nm) /RX wide, on two single mode fibers, LC/PC Blue

10 Gb/s CWDM SFP+ 10 km Transceiver

SFPP-ATLP-CXX-10 SFP+ Plug-in, 10 Gbps, 10 km, TX=CWDM Ch xx (1270 nm to 1610 nm)/RX wide, on two single-mode fibers, LC/PC Blue

SFP+ BIDI 10 Gb/s 1490/1550 nm 80 km Transceiver

SFPP-AT-LP-XXXX-40 SFP+ Plug-in, 10Gbps, 40km, TX=1270/RX=1330 , on one single mode fibers, LC/PC Blue

SFPP-LP-XXXX-10 SFP+ Plug-in, 10Gbps, 10km, TX=1270/RX=1330 , on one single mode fibers, LC/PC Blue

XFP 10 Gb/s BIDI Single-Mode 80 km Transceiver DDM

XFP 10 Gb/s BIDI Single-Mode 40 km Transceiver DDM

XFP 10 Gb/s BIDI Single-Mode 20 km Transceiver DDM

XFP 10 Gb/s BIDI Single-Mode 10 km Transceiver DDM

XFP-AT-LP-31-20 10 Gb/s 20 km XFP Transceiver

XFP-AT-LP-31-10 10 Gb/s 10 km XFP Transceiver

XFP-AT-LP-51-40 10 Gb/s 40 km XFP Optical Transceiver

XFP-AT-LP-51-80 10 Gb/s 80 km XFP Optical Transceiver

XFP-ATLP-XXXX-60 10 Gb/s BIDI XFP 60 km Transceiver

SFPP-ATLP-61-80 SFP+ Plug-in, 10Gbps, 80km, TX=1610/RX wide, on two single mode fibers, LC/PC Blue

SFPP-AT-CO-03 10GBASE-T SFP+ Copper RJ45 30m Transceiver

X2 10Gb/s 850nm Multi-mode Transceiver 300m

SFPP-16-LP-85-01 16 Gb/s 850 nm SFP+ 100 m Transceiver

SFPP-A8LP-85-015 8.5 Gb/s 850 nm Multi-Mode SFP+ Transceiver

SFPP-A6-LP-31-02 6.25 Gb/s Single-Mode SFP+ Transceiver

SFPP-A6-LP-85-03 6.25 Gb/s 850 nm Multi-Mode SFP+ Transceiver
Get in touch with our experts
Feedback