
Ascent’s SFP BIDI 1.25G 3 km transceiver is a compact and flexible optical interface solution designed for switches, routers, servers, and other network platforms. Supporting data rates up to 1.25 Gb/s, the module complies with the SFP Multi-Source Agreement (MSA) and provides reliable performance for bi-directional single-fiber applications. The module integrates a standard TTL-level TX Disable control as well as digital I²C-based management, enabling flexible laser shutdown and real-time monitoring of device status. A dedicated TX Fault indication helps identify potential laser degradation, ensuring stable long-term operation in critical links. For enhanced system reliability, a Loss of Signal (LOS) output is provided to detect insufficient receiver optical power or partner-device link issues. All key alarms and status parameters—including LOS, link state, disable status, and fault notifications—can be accessed through the module’s integrated digital diagnostics interface.
· Up to 1.25Gb/s Data Links
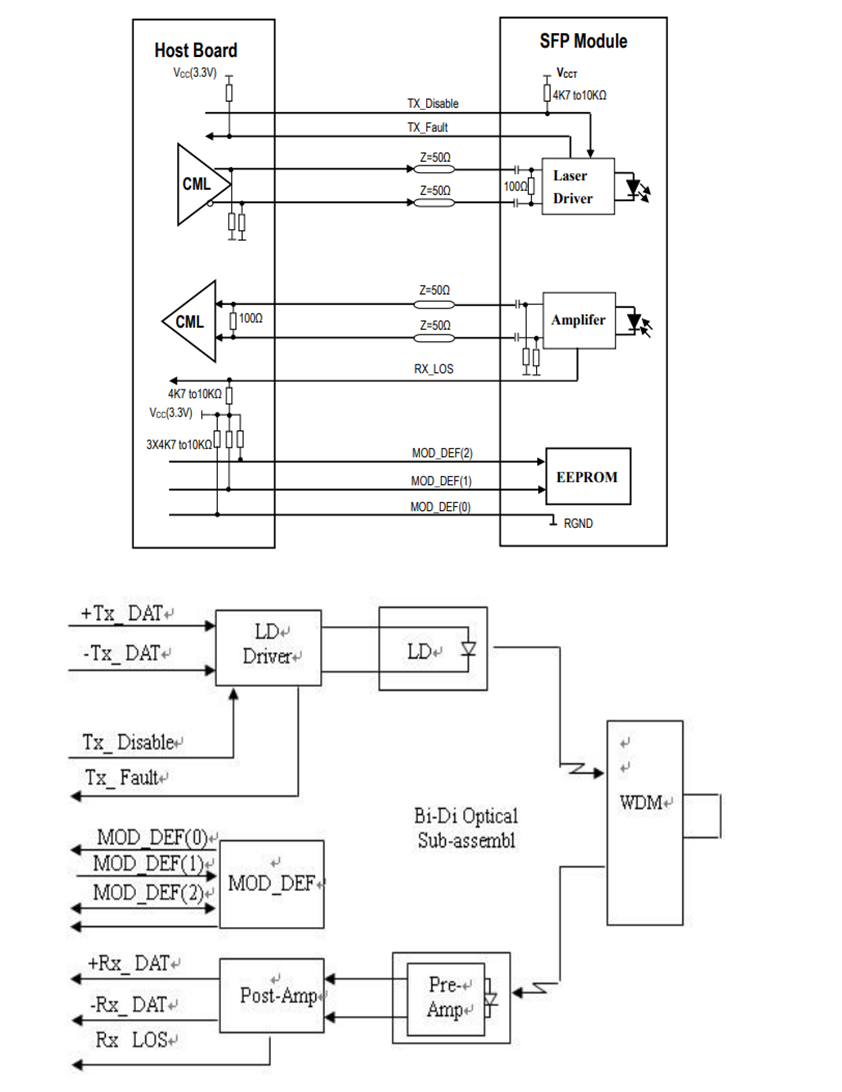
· A type:1310nm FP Tx/1550nm Rx
· B type:1550nm FP Tx/1310nm Rx
· Hot-Pluggable SFP footprint
· Single LC for Bi-directional Transmission
· Built-in digital diagnostic functions
· Up to 3km on 9/125μm SMF
· Single +3.3V Power Supply
· Operating Temperature:
Standard: 0°C to +70°C
Industrial: -40°C to +85°C
· Very low EMI and excellent ESD protection
· RoHS compliant and Lead Free
Absolute Maximum Ratings
Parameter Operating Case Temperature | Symbol TC | Min. 0 | Typ.
| Max. +70 | Unit °C | Note Commercial |
-40 | +85 | °C | Industrial | |||
Power Supply Voltage | Vcct, R | -0.5 | 4 | V | ||
Relative Humidity | RH | 0 | 85 | % |
Optical Characteristics(TOP = Tc, VCC = 3.135 to 3.465 Volts)
Parameter | Symbol | Min. | Typ. | Max. | Unit | Note |
Transmitter | ||||||
Center Wavelength | λc | 1290 | 1310 | 1330 | nm | SFP-LP-3155-03 1 |
SFP-LP-3155-03A 1 | ||||||
λc | 1530 | 1550 | 1570 | nm | SFP-LP-5531-03 1 | |
SFP-LP-5531-03A 1 | ||||||
Spectral Width | σ | 3 | nm | |||
Optical Output Power | Pout | -14 | -7 | dBm | 2 | |
Optical Rise/Fall Time | tr / tf | 260 | ps | 3 | ||
Extinction Ratio | ER | 9 | dB | |||
Deterministic Jitter Contribution | TXΔDJ | 56.5 | ps | 4 | ||
Total Jitter Contribution | TXΔTJ | 0.284 | ps | 3 | ||
Eye Mask for Optical Output | Compliant with Eye Mask Defined in IEEE 802.3 standard | |||||
Relative Intensity Noise | RIN | -120 | dB/Hz | |||
Receiver | ||||||
Optical Input Wavelength | λc | 1530 | 1550 | 1570 | nm | SFP-LP-3155-03 |
SFP-LP-3155-03A | ||||||
λc | 1290 | 1310 | 1330 | nm | SFP-LP-5531-03 | |
SFP-LP-5531-03A | ||||||
Receiver Overload | Pol | -3 | dBm | 5.6 | ||
RX Sensitivity | Sen | -19 | dBm | 5.6 | ||
RX_LOS Assert | LOSA | -35 | dBm | |||
RX_LOS Deassert | LOSD | -20 | dBm | |||
RX_LOS Hysteresis | LOSH | 0.5 | dB | |||
General Characteristics | ||||||
Data Rate | ||||||
Data Rate | BR | 1.25 | Gbps | |||
Bit Error Rate | BER | 10-12 | ||||
Max. Supported Link Length on 9/125μm SMF@1.25G | LMAX | 3 | km | 7 | ||
Total System Budget | LB | 12 | dB | 8 | ||
Notes:
1. The optical power is launched into SMF.
2. 20 to 80%.
3. Contributed total jitter is calculated from DJ and RJ measurements using TJ = RJ + DJ. Contributed RJ is calculated for 1x10-12 BER by multiplying the RMS jitter (measured on a single rise or fall edge) from the oscilloscope by 14. Per FC-PI, the actual contributed RJ is allowed to increase above its limit if the actual contributed DJ decreases below its limits, as long as the component output DJ and TJ remain within their specified FC-PI maximum limits with the worst case specified component jitter input.
4. Measured with PRBS 27-1 at 10-12 BER.
Parameter | Symbol | Min. | Typ. | Max. | Unit | Notes |
Supply Voltage | Vcc | 3.14 | 3.30 | 3.47 | V | |
Supply Current | Icc | 300 | mA | |||
Inrush Current | Isurge | Icc+30 | mA | |||
Maximum Power | Pmax | 1.0 | mW | |||
Transmitter | ||||||
Input Differential Impedance | Rin | 90 | 100 | 110 | ||
Single Ended Data Input Swing | Vin,PP | 250 | 1200 | mVp-p | ||
Transmit Disable Voltage | VD | Vcc - 1.3 | Vcc | V | 2 | |
Transmit Enable Voltage | VEN | Vee | Vee+ 0.8 | V | ||
Transmit Disable Assert Time | Tdessert | 10 | us | |||
Receiver | ||||||
Single Ended Data Output Swing | Vout,pp | 300 | 800 | mv | 3 | |
Data Output Rise Time | tr | 1300 | ps | 4 | ||
Data Output Fall Time | tf | 1300 | ps | 4 | ||
LOS Fault | Vlosfault | Vcc – 0.5 | VCC_host | V | 5 | |
LOS Fault | Vlos norm | Vee | Vee+0.5 | V | 5 | |
Power Supply Rejection | PSR | 100 | mVpp | 6 | ||
Deterministic Jitter Contribution | RXΔDJ | 51.7 | ps | 7 | ||
Total Jitter Contribution | RXΔTJ | 100 | ps | |||
Notes:
1. AC coupled.
2. Or open circuit.
3. Into 100 ohm differential termination.
4. LOS is LVTTL. Logic 0 indicates normal operation; logic 1 indicates no signal detected.
5. All transceiver specifications are compliant with a power supply sinusoidal modulation of 20Hz to 1.5MHz up to specified value applied through the power supply filtering network shown on page23 of the Small Form-factor Pluggable (SFP) Transceiver Multi-Source Agreement (MSA), September 14, 2000.
6. Measured with DJ-free data input signal. In actual application, output DJ will be the sum of input DJ and . DJ.



SFP 1550nm 2.5Gbps 80km Transceiver

SFP-2G-LP-CXX-40 2.5 Gbps CWDM Single-mode SFP Transceiver

SFP-2G-LP-3155-10 2.5 Gb/s BiDi Single-mode SFP Transceiver

SFP 1310nm 2.5Gbps LX 20km Transceiver

2.5 Gb/s 1310nm Single-mode SFP Transceiver

SFP-2G-LP-31-2K 2.5 Gb/s 1310 nm Single-mode SFP Transceiver

SFP-AGLP-51-120 1.25Gb/s 1550nm Single-mode SFP Transceiver

SFP-AG-LP-51-80 1.25 Gb/s 1550 nm Single-Mode SFP Transceiver

SFP-AG-LP-51-40 1.25 Gbps 1550 nm Single-mode SFP Transceiver

1.25 Gb/s SFP 1550nm 160km Transceiver

SFP-AG-LP-31-40 1.25 Gb/s 1310 nm Single-mode SFP Transceiver

SFPP-AG-LP-31-20 1.25 Gb/s 1310 nm Single-Mode SFP Transceiver

SFPP-AG-LP-31-10 1.25 Gb/s 1310 nm Single-Mode SFP Transceiver

SFP-AG-LP-85-05 1.25Gb/s 850 nm Multi-Mode SFP Transceiver

SFP BIDI 1.25G 1310/1550 nm 20 km DDM

SFP-AGLP4955-120 SFP BIDI 1.25G 1490/1550 nm 120 km DDM

SFP-AGLP-4955-80 SFP BIDI 1.25G 1490/1550 nm 80 km DDM

SFP-AGLP-3155-40 SFP BIDI 1.25G 1310/1550 nm 40 km DDM

SFP-AGLP-3149-20 SFP BIDI 1.25G 1310/1490 nm 20 km DDM

SFP-AGLP-4931-40 SFP Plug-in, 1.25Gbps, 40km, BIDI, TX=1490nm, RX=1310nm, LC/PC Blue

SFP-AGSP-4931-20 SFP Plug-in, 1.25Gbps, 20km, BIDI, TX=1490nm, RX=1310nm, SC/PC Blue

SFP-AG-CO-01 1000M Copper SFP Transceiver

SFP-AG-CO-02 10/100/1000M Copper SFP Transceiver

SFP-AG-CO-03 1000M Auto Adapt Copper SFP Transceiver

SFP-AG-CO-04 10/100/1000M Copper SFP Transceiver w/ Link Indicator

SFP-AF-LP-51-80 155 Mb/s 1550 nm Single?Mode SFP Transceiver

SFP-AF-LP-XXXX-20-AN SFP Plug-in, 100Mbps, 20km, BIDI, TX=1490nm, RX=1310nm, LC/PC blue

SFP_ONS-SI-155-I1 SFP Plug-in, OC3 155Mbps 1310nm Single-mode SFP Optical Transceiver, 15km, LC
Get in touch with our experts
Feedback