
AON1110C Series Optical Receiver is part of ACT’s Deep Fiber solution, which has been designed to deliver high- quality CATV and other advanced services. This cost- effective compact mini receiver helps operators expand the bandwidth of their existing HFC network while minimizing capital investment. The AON1110C compact node has smart LED, SNMP, and Web GUI for convenient management and is suitable for MDU, FTTB or FTTC applications with high output up to 110 dBµV. The AON1110C deep fiber node is equipment with Automatic Gain Control circuit to maintain constant output power with optical input from ‑9 dBm to +2 dBm. Combined with ACT’s converged headend AH1000 optical platform, AON1110C series deep fiber optical node is an ideal product to provide MSOs with an economical, flexible HFC access solution. AON1110C node provides the web management interface to support the remote monitoring capability in advanced network management system.
• Utilizes advanced optical AGC technique, optical AGC control range: -9 dBm to +2 dBm adjustable
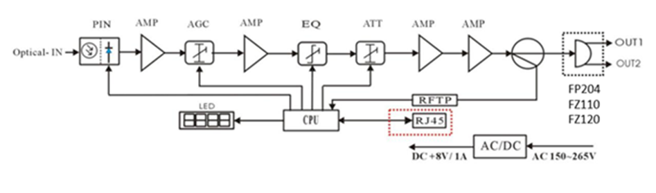
• Optical AGC, can automatically switch according to the pre-set switching threshold, or manually forced switch
• Forward working frequency extended to 1 GHz, RF amplifier part adopts the high-performance low power consumption GaAs chip, maximum output level up to 112 dBμV
• EQ and ATT both use the professional electric control circuit, make the control more accurate, operation more convenient
• Built-in Ethernet transponder, support remote network management (optional)
• The optical output port and network management interface are external or internal (optional)
Item | Unit | Technical Parameters | |
Optical Parameters | |||
Receiving Optical Power | dBm | -9 to +2 | |
Optical AGC Range | dBm | +2 to -9/-8/-7/-6/-5/-4 (adjustable) | |
Optical Return Loss | dB | >45 | |
Optical Receiving Wavelength | nm | 1100 to 1600 | |
Optical Connector Type | SC/APC or SC/PC specified by the user | ||
Fiber Type | Single mode | ||
RF Parameters | |||
Frequency Range | MHz | 45 to 860/1003 | |
Flatness in Band | dB | ≤±0.75 | |
Output Return Loss | dB | ≥16 | |
Output Impedance | Ω | 75 | |
Electrical Control EQ Range | dB | 0 to 20 (0.5dB step) | |
Electrical Control ATT Range | dB | 0 to 20 (0.5dB step) | |
Rated Output Level | dBμV | ≥ 108 | FZ110 output |
≥ 104 | FP204 output | ||
Max. Output Level | dBµV | ≥ 110 | FZ110 output, -9 to +2dBm |
C/N | dB | ≥51 | 42ch, OMI=3.0%, Pin=-1dBm, 110dBuV @ FZ110, 106dBuV@FP204 output,EQ=9dB |
C/CTB | dB | ≥60 | |
C/CSO | dB | ≥60 | |
MER | dB | ≥38 | 112ch digital signal (114 to 1002MHz), OMI=3.0%, optical receiving power is in AGC range, output level >104dBuV @FP204, >106dBuV@FZ120, EQ=9dB |
BER | <1.0E-9 | ||
General Characteristics | |||
Power Voltage | V | AC(150 to 265)V or DC 12V/1A External power supply | |
Operating Temperature | °C | -40 to 60 | |
Power Consumption | VA | ≤ 8 | |
Dimension | mm | 190(L) * 110(W) * 52(H) | |
Without WDM



4-Port Redundant Optical Node Deep Fiber Solution

AON2200C 2 or 4-Port Optical Node
AON2100 Cabinet 2-Port Optical Node

1.2GHz 2 or 4-port Optical Node FTTx Solution

Cabinet 1 or 2-Port Optical Node FTTx Solution

Smart Contact Optical Receiver FTTx Solution

Smart Compact Optical Receiver FTTx Solution

Smart Compact Optical Receiver FTTx Solution

1.2GHz Compact Optical Receiver FTTx Solution

AON126S 2.6 GHz CATV and SAT-IF Optical Receiver

AON121 FTTH Mini Optical Receiver

Mini Node Deep Fiber FTTH Solution

4SAT-IF + 1 Terr. Signal CWDM Optical Receiver

4SAT-IF + 1 Terr. Signal CWDM Optical Transmitter
Get in touch with our experts
Feedback