AON121X Series 1- or 2-port two-way Optical Node is part of ACT Deep Fiber solution, which has been designed to deliver interactive CATV, high capacity DOCSIS Data and other advanced services. The cost-effective node platform helps service providers expand bandwidth of their existing HFC network while minimizing capital investment. AON121X is a 1.2G Hz features a modular design for flexible applications. It has microprocessor control, a digital display, and an easy-to-use engineering debug interface. It has highly-optimized circuit design using SMT process production for smooth photoelectric signal transmissions. It has good RF attenuation with high accuracy with its use of a specialized RF attenuation chip. It uses GaAs technology to achieve high gains and low distortion, and has excellent AGC performance. AON121X node suits the last mile fiber deep access networks and also provides the optional HMS interface to support the remote monitoring capability in advanced network management system.
· High response PIN photoelectric conversion tube
· Optimized circuit design, SMT process production, optimized signal path, make the photoelectric signal transmission smoother
· Specialized RF attenuation chip, with good RF attenuation and equilibrium linear, high accuracy
· GaAs amplifier device, power doubler output, with high gain and low distortion
· Single Chip Microcomputer (SCM) control equipment working, LCD display the parameters, convenience and intuitive operation, and stable performance
· Excellent AGC performance, when the input optical power range is -9 dBm to +2 dBm, the output level remains unchanged, CTB and CSO basically unchanged
· Reserved data communication interface, can connect with the Ethernet transponder, access to network management system
· Return emission can select burst mode to sharply decrease the noise convergence and reduce the forepart receiver number
Item | Unit | Technical Parameters | ||
Forward Optical Parameters | ||||
Receiving Optical Power | dBm | -8 to +2 | ||
Optical Return Loss | dB | >45 | ||
Optical Receiving Wavelength | nm | 1100 to 1600 | ||
Optical Connector Type | FC/APC, SC/APC or specified by the user | |||
Fiber Type | Single Mode | |||
Link Performance | ||||
C/N | dB | ≥ 51 (-1dBm input) | ||
C/CTB | dB | ≥ 65 | Output Level 106dBμV EQ 8dB 79ch PAL-D | |
C/CSO | dB | ≥ 60 | ||
Forward RF Parameters | ||||
Frequency Range | MHz | 54/85/105/258 -1003/ 1218 | ||
Flatness in Band | dB | ±0.75 | ||
Rated Output Level | dBμV | ≥ 106 | ||
Max Output Level | dBμV | ≥ 108 | ||
Output Return Loss | dB | (54/85/105/258 to 550MHz)≥16/(550 to 1218MHz)≥14 | ||
Output Impedance | Ω | 75 | ||
Electronic Control EQ Range | dB | 0 to 15 | ||
Electronic Control ATT Range | dBμV | 0 to 20 | ||
Return Optical Parameters | ||||
Optical Transmit Wavelength | nm | 1310±10, 1550±10 or specified by the user | ||
Output Optical Power | mW | 0.5, 1, 2 | ||
Optical Connector Type | FC/APC, SC/APC or specified by the user | |||
Return RF Parameters | ||||
Frequency Range | MHz | 5 to 42/65/85/204 | ||
Flatness in Band | dB | ±0.75 | ||
Input Level | dBμV | 72 to 85 | ||
Output Impedance | Ω | 75 | ||
NPR Dynamic Range | dB | ≥15 (NPR≥30 dB) Use DFB laser | ≥10(NPR≥30 dB) Use FP laser | |
General Performance | ||||
Supply Voltage | V | A: AC (150 to 265)V; B: AC (35 to 90)V | ||
Operating Temperature | °C | -40 to 60 | ||
Storage Temperature | °C | -40 to 65 | ||
Relative Humidity | % | Max 95% no condensation | ||
Consumption | VA | ≤ 20 | ||
Dimension (L×W×H) | mm | 280 x 260 x 70 | ||
Net Weight | kg | 2.8 | ||
Burst Mode (Optional) | ||||
Optical Output Power (When there is no burst signal input) | dBm | -30 | ||
Laser Turn On Threshold | dBμV | ≥70 | ||
Laser Turn Off Threshold | dBμV | ≤62 | ||
Laser Turn On Time (t1) | us | 0.5≤ t1 ≤1 | ||
Laser Turn Off Time (t2) | us | 0.5≤ t2 ≤1.5 | ||


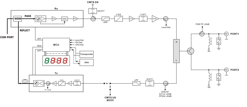
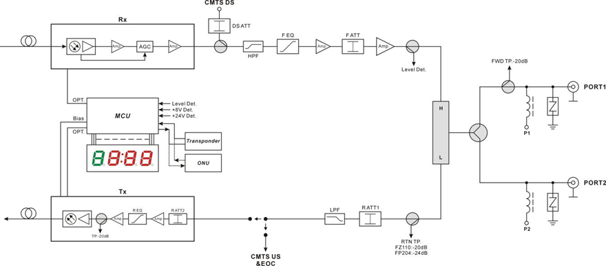
Single Fiber Option

Dual Fiber Option
AON2400C 4-Port 2x2 Optical Node
AON2200C Optical Node
AON2100 Optical Node
AON212X Series Optical Node
AON1210C Optical Receiver
AON1200D Optical Receiver
AON1110E Optical Receiver
AON1100E Optical Receiver
AON1110C Optical Receiver
AON126S Mini Mode
AON121 Mini Node
AON120D Mini Node
ASR2500 Fiber Satellite CWDM Optical Receiver
AST2500 Fiber Satellite CWDM Optical Transmitter